1問題的提出
隨著我國搪玻璃行業的發展,搪玻璃特種設備制造質量,無論在金屬基體材料、瓷釉配方,還是在生產工藝方面都逐漸與國際接軌,國家先后修改發布了GB25025-2010《搪玻璃設備技術條件》、CB/T25026-2010《搪玻璃閉式攪拌容器》、GB/T25027-2010《搪玻璃開式攪拌容器》、HG/T2143-2006《搪玻璃設備管口》、HC/T2049《搪玻璃設備高頸法蘭》等標準,上述標準只適用于搪玻璃反應罐內容器設計壓力≤l.OMPa夾套內設計壓力≤0.6MPa,內容器及夾套內設計溫度高于-200C~200℃。對照中壓搪玻璃反應罐使用工藝要求,制造過程的瓷面質量控制,設計溫度,可選用相應的國家專業搪玻璃標準,其它設計、制造、檢驗質量控制應按照GB150及TSGR0004-2009執行,加大了搪玻璃特種制造質量控制難度。提出了如何對制造質量中的一般項目和關鍵項目進行控制。
2搪玻璃特種設備制造過程及使用過程中的主要質量問題
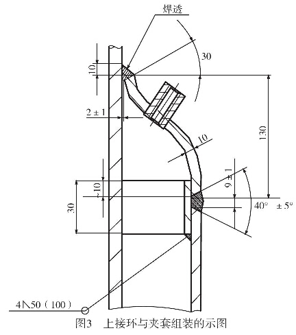
搪玻璃特種設備的上接環下接環與夾套組裝的對接接頭焊接過程、焊接質量難以控制,圖1為上接環與夾套組裝有裂紋;圖2為下接環與夾套組裝有缺陷;圖3為上接環與夾套組裝的示意圖。
圖4是夾套封閉型組裝環縫開裂;圖5是搪玻璃特種設備使用過程中損壞后上接環與夾套組裝焊縫解剖后14mm的鋼板有Smm×90mm未焊透、未熔合現象。





3搪玻璃特種設備制造質量一般有下列控制程序
1)設計質量控制;2)金屬基體制造質量控制;3)金屬基體焊接質量控制;4)產品焊接試板質量控制;5)無損檢測質量控制;6)搪玻璃過程的質量控制;7)搪玻璃面釉搪燒質量控制;8)搪玻璃成品質量檢驗控制;9)壓力試驗質量控制等。
4搪玻璃特種設備制造焊接質量的控制
根據搪玻璃特種設備制造程序和使用過程中主要質量問題及制造質量一般控制過程,把搪玻璃特種設備上、下接環與夾套的套裝焊縫的質量控制和壓力試驗質量控制作為關鍵項目的控制進行討論。
4.1搪玻璃設備上、下接環與夾套的套裝焊縫的質量保證,行業標準HG2432-2001第6.1規定:“6.1.3(P7)對夾套與上下接環的焊接接頭型式必須按6.1.1進行焊接工藝評定,并編制這些接頭的《焊接工藝規程》;6.4.5上下接環與夾套組裝的焊接接頭可免做無損檢測,但必須嚴格按6.1.3規定的焊接工藝規程執行,并有相應的監督程序予以質量保證。”
搪玻璃設備國家標準GB25025-2010第7.2.5(P6)的規定是:“上下接環與內筒體,上下接環與夾套等接頭的裝配質量必須達到圖樣和工藝的要求。7.6.5搪玻璃特種設備的上接環與夾套組裝的焊接接頭應用T藝保證其全焊透,并采用100%表面無損檢測”等,國標及行業標準也都鑒于搪玻璃設備的特殊性,未對此套裝焊縫予以質量等級的具體要求。既然標準提出用工藝和相應的監督程序予以保證,此焊縫中是否存在未焊透僅靠表面無損檢測是無法發現的,所謂相應做監督程序就是靠:1)焊接工藝評定;2)焊接工藝的驗證;3)較終的壓力試驗來保證。
4.2上、下接環制造質量控制:U型下接圈采用壓制成形或相應管子成形后剖開。上接環根據筒體的外徑放料卷圓后滾壓成型,滾壓成型后不得小于設計厚度,內徑此相應裝配筒體外徑大3~4mm,縱縫焊接接頭無損檢測在滾壓成形后100%RT,檢測技術等級不低于AB級,合格級別不低于Ⅲ級。
搪玻璃特種設備施焊前應按NB/T47014進行焊接工藝評定,其中搪玻璃件金屬基體的焊接T藝評定還應符合GB25025-2010第7.3.2.1.2~7.3.2.1.4的規定。焊接工藝評定試件在焊后應進行模擬搪玻璃工藝加熱,模擬搪玻璃工藝加熱的試驗按GJB25025-2010第5.8的規定。對有沖擊試驗要求的鋼材,焊接工藝評定時應進行沖擊試驗;設計溫度小于0℃時,沖擊試驗的溫度不應高于設計溫度,評定合格的低碳鋼和低合金鋼對接焊縫件的焊接工藝適用的試件厚度及焊縫金屬厚度的有效范圍按NB/T47014的有關規定。
焊接的基本要求按NB/T47015的有關規定,并嚴格按經評定合格的焊接T藝進行施焊前應用機械手段打磨,需焊接接頭表面清除毛刺及雜質。金屬基體搪玻璃的焊接宜采用較小的焊接熱輸入,并嚴格控制層間溫度。焊縫應平滑過渡重板材,焊縫余高控制在O~l.Omm有利于磨光搪玻璃。搪玻璃受壓元件解搪玻璃側的焊縫附近的指定部位應打施焊焊工代號鋼印。解搪玻璃側焊縫表面的形狀尺寸及外觀質量要求應符合GB150或JB/T4735的有關規定,搪玻璃設備角焊縫的形狀和尺寸應符合圖樣的規定。當圖樣無規定時,焊腳尺寸取焊件中較薄者的厚度、角焊縫的外形應當凹形圓滑過渡,所有焊接接頭的表面不得有表面裂紋、未焊透、未熔合、表面氣孔弧坑、未填滿和肉眼可見的夾渣等缺陷。
搪玻璃部件搪燒經檢驗合格后應靜置10天以上,清除殘余應力后再進行下道工序夾套與罐體套裝,套裝工序的關鍵是控制上接環與夾套組裝的對接焊接接頭質量,該焊接接頭按圖紙規定必須20%RTⅢ級合格或UTⅡ級合格,為保證焊接質量,裝配間隙必須達到圖3規定的要求。為避免強力組裝及錯邊量,上接環整形修整達到定作夾套的內徑后,應以罐體大法蘭平面為基準氣割燒去多余的高度。焊接專用的墊片經卷園后點焊固定在夾套體上,再進行組裝,組裝后用機械手段對焊道進行清理。確保不存在水、油等雜質后進行手工焊封底焊,封底角焊縫應選擇適宜的電流、電壓及施焊速度,應防止墊片焊穿,手工焊結束后必須用機械手段清除干凈焊渣后再進行埋弧白動焊蓋面。施焊的過程應按該道焊接接頭的焊接工藝評定及焊接工藝要求執行。如焊接接頭表面出現弧坑、咬邊、氣孔等焊接缺陷,必須采用機械手段打磨或挖鏟補焊再修磨,焊接接頭達形狀尺寸及外觀檢查合格,表面的不規則狀態在底片上的影像不得掩蓋或干擾缺陷影像再轉下道工序無損檢測。經過局部無損檢測的焊接接頭,若在檢測部位發現很標缺陷時,應當在該缺陷兩端的延伸部位進行不少于250mm的補充局部檢測;若仍存在不允許的缺陷則應當對該焊接接頭進行全部檢測,并按GB150的有關規定進行焊接返修。
5結束語
搪玻璃特種設備設計、制造、檢驗難度大、要求高,無論是搪玻璃金屬基本制作,還是搪玻璃過程制作,都必須有嚴格的制作工藝和檢驗規程來保證,搪玻璃特種設備上、下接環與夾套的套裝焊縫的質量控制和搪玻璃特種設備壓力試驗質量控制必須達到規定的設計質量要求和相關標準的技術要求,確保搪玻璃特種設備在安全狀態下運行。




